Login
Beschreibung
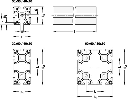
Aluprofile GN 10i werden durch Strangpressen hergestellt. Mit ihnen lassen sich z. B. Schutzumhausungen, Maschinengestelle oder Vorrichtungen einfach aufbauen. Aluprofile bilden mit dem Zubehör, das sich bei Bedarf demontieren und wiederverwenden lässt, einen flexiblen Baukasten. Die Befestigung von Anbauteilen kann entweder über die seitlichen Nuten oder stirnseitig über die Bohrungen erfolgen. Der Profiltyp leicht wird besonders bei kleinen Belastungen oder für gewichtsoptimierte Konstruktionen eingesetzt. Aluprofile werden in Gebinden geliefert. Die jeweils enthaltene Stückzahl geht aus der Tabelle hervor.
Spezifikationen
Gebinde (Stück)
4
Gewicht
21.000 kg
Länge l
3
Nutbreite n
8
Oberfläche
N - eloxiert, naturfarben
Profilbreite s1
40
Profilgröße
I-40408L
Profilhöhe s2
40
Profiltyp
L - leicht
Rastermaß
40
RoHS
Ja
Werkstoff
AL - Aluminium
d
6.8
s3
4.5
t
12.25












