Login
Beschreibung
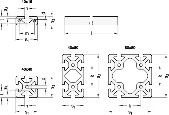
Aluprofile GN 10i werden durch Strangpressen hergestellt. Mit ihnen lassen sich z. B. Schutzumhausungen, Maschinengestelle oder Vorrichtungen einfach aufbauen. Aluprofile bilden mit dem Zubehör, das sich bei Bedarf demontieren und wiederverwenden lässt, einen flexiblen Baukasten. Die Befestigung von Anbauteilen kann entweder über die seitlichen Nuten oder stirnseitig über die Bohrungen erfolgen. Aluprofile werden in Gebinden geliefert. Die jeweils enthaltene Stückzahl geht aus der Tabelle hervor.
Spezifikationen
Gebinde (Stück)
2
Gewicht
27.060 kg
Länge l
3
Nutbreite n
8
Oberfläche
N - eloxiert, naturfarben
Profilbreite s1
40
Profilgröße
I-40808S
Profilhöhe s2
80
Profiltyp
S - schwer
Rastermaß
40
RoHS
Ja
Werkstoff
AL - Aluminium
d
6.8
k
40
s3
4.5
t
12.25











