Technische Dokumentationbyhx_7-15.pdf
236.73 kB
Artikel in 6 Varianten erhältlich:
Login
Beschreibung
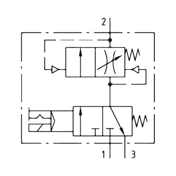
Befülleinheit »FUTURA« el. betätigt mit Spule 110 V AC, 50 Hz, BG 1, G 1/4, Abluft G 1/4, PE 2,5 - 10 bar, Temp. -10 °C bis 50 °C. Die Befülleinheit sorgt für einen langsamen Druckaufbau und schützt somit nachfolgende Geräte. Die Einheit besteht aus einem 3/2-Wegeventil inklusive Schalldämpfer und einem Befüllventil (Anfahrventil), Zu- und Abschaltung durch 3/2-Wegeventil. Füllzeit durch Verstellen der Regulierschraube einstellbar.


