Bedienungsanleitungbyhx_17-5.pdf
2.37 MB
Artikel in 6 Varianten erhältlich:
Login
Beschreibung
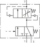
Befülleinheit »FUTURA« pneumatisch betätigt, BG 1, G 1/4, Abluft G 1/4, Eingangsdruck 2,5 - 16 bar, Temp. -10 °C bis 50 °C. Die Befülleinheit sorgt für einen langsamen Druckaufbau und schützt somit nachfolgende Geräte. Die Einheit besteht aus einem 3/2-Wegeventil inklusive Schalldämpfer und einem Befüllventil (Anfahrventil), Zu- und Abschaltung durch 3/2-Wegeventil. Füllzeit durch Verstellen der Regulierschraube einstellbar.


