Technische Dokumentationbyhx_p_1-457.pdf
574.88 kB
Login
Beschreibung
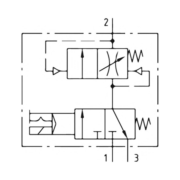
Befülleinheit »FUTURA-mini« el. betätigt, Spule 24 V DC, 2,5 Watt, BG 0, G 1/4, Abluft G 1/4, PE 2,5-10 bar, Temp. -10°C bis 50°C. Die Befülleinheit sorgt für einen langsamen Druckaufbau und schützt somit nachfolgende Geräte. Die Einheit besteht aus einem 3/2-Wegeventil inklusive Schalldämpfer und einem Befüllventil (Anfahrventil), Zu- und Abschaltung durch 3/2-Wegeventil. Füllzeit durch Verstellen der Regulierschraube einstellbar.
Spezifikationen
A
86,0 mm
Abluft
G 1/4
Anschlussgewinde
Kunststoff
Anzugsleistung bei Wechselspannung 50 Hz
2,2 VA
B
138,0 mm
BG
0
C
93,0 mm
Durchfluss
1400 l/min
Eingangsdruck max.
10 bar
Eingangsdruck min.
2,5 bar
Einschaltdauer
100 %
Elektrischer Anschluss
Gerätesteckdose EN 175301-803, Form C, Polzahl 2+PE
Gehäuse
PA66 GF60
Gewinde
G 1/4
Halteleistung bei Wechselspannung 50 Hz
1,6 VA
Leistungsaufnahme
2,5 Watt bei Gleichspannung
Medium
Druckluft, neutrale Gase
Product range
FUTURA-mini
Riegler article number
142526
Schutzart
IP 65
Serie
FUTURA-mini
Size
0
Temperaturbereich max.
50 °C
Temperaturbereich min.
-10 °C







