Artikel in 551 Varianten erhältlich:
Login
Beschreibung
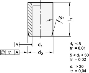
Positionierbuchsen DIN 179 zeichnen sich durch die engen Form- und Lagetoleranzen in Verbindung mit der gehärteten und fein bearbeiteten Oberfläche aus. Dadurch können diese in vielen Anwendungen äußerst universell eingesetzt werden. Zur Aufnahme der Buchsen werden Bohrungen mit einer Toleranz H7 empfohlen. In Verbindung mit dem auf n6 tolerierten Außendurchmesser der Buchse ergibt sich eine bevorzugt verwendete Übergangspassung. Für Positionieranwendungen empfiehlt sich die Kombination mit den Positionierstiften GN 771.1.
Spezifikationen
Durchmesser d1
B 22
Form
A - Bohrung einseitig gerundet
Gewicht
0.090 kg
Länge l1
36
RoHS
Ja
Werkstoff
ST - Stahl
d11 ... ,0
B 22
d2
30
d3
34
l2
5







