Artikel in 3 Varianten erhältlich:
Login
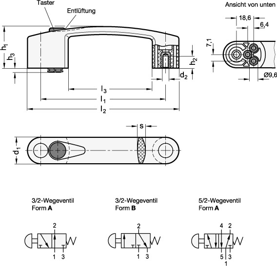
Beschreibung
Bügelgriffe GN 628.5 sind mit einem 3/2- oder 5/2-Wegeventil zur Steuerung pneumatischer Schaltungen ausgestattet und werden per Taster mit Federrückstellung (monostabil) geschalten. Die Montage bzw. der Anschluss des Ventils kann rasch und unkompliziert von der Rückseite erfolgen. Die Pneumatikanschlüsse mit Schnellkupplungen sind für Schläuche mit einem Außendurchmesser von 4 mm vorgesehen. Die Entlüftungen 3 und 5 haben keinen separaten Anschluss. Sie sind elegant im Taster des Griffes integriert. Der Bügelgriff stellt damit eine funktionelle und kompakte Einheit dar. Die Kraft zur Betätigung des Tasters ist unabhängig vom Betriebsdruck. Komplementäre Bügelgriffe ohne Schaltfunktion sind unter GN 628 erhältlich.

