Artikel in 3 Varianten erhältlich:
Login
Beschreibung
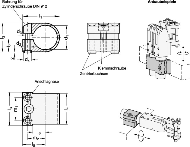
Durch Klemmhalter GN 873 werden die Befestigungsmöglichkeiten und damit die Anwendungsbereiche der Kraftspanner wesentlich erweitert. Die Anschlagnase kann zur genauen, verdrehsicheren Positionierung der Kraftspanner verwendet werden, dadurch wird ein problemloser Austausch ermöglicht. Die Verwendung der beiden Zentrierbuchsen gewährleistet eine positionsgenaue und stabile Befestigung des Klemmhalters und somit des Kraftspanners. Weitere Klemmhalter für die Größen d1 = 40 (Kolben-Ø 32) und d1 = 50 (Kolben-Ø 40) bietet das Rohrklemmverbinder-Programm. Zentrierbuchsen gehören zum Lieferumfang.

