Produkte
Ganter

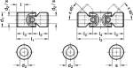
Kreuzgelenk DIN


Paketfähig
Artikel in 26 Varianten erhältlich:

Beschreibung
Die beweglichen Teile der Edelstahl-Kreuzgelenke DIN 808 sind nicht oberflächenbehandelt, also auch nicht einsatzgehärtet, deswegen liegen die Einsatzmöglichkeiten wesentlich unter denen von Kreuzgelenken aus Stahl. Die Richtlinien für die Auswahl von Kreuzgelenken mit Gleitlager können somit für die Edelstahl - Ausführung nur eingeschränkt verwendet werden. Drehzahlen über 200 min-1 können bereits kritisch sein. Bei Edelstahl-Kreuzgelenken ist eine ausreichende Schmierung besonders wichtig, gegebenenfalls unter Verwendung einer mit Fett gefüllten Schutzhülle GN 808.1. Das angegebene Bestellbeispiel gilt für Gelenke mit beidseitig gleichen Bohrungen d2 oder s.