Artikel in 10 Varianten erhältlich:
Login
Beschreibung
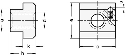
Mutter für T-Nuten GN 508.2 haben dieselben Abmessungen wie DIN 508. Sie sind jedoch mit einem seitlichen Federelement (Kugel / Druckfeder) versehen. Dadurch wird ein unabsichtliches Verschieben der Mutter in der Nute verhindert, was insbesondere bei senkrechter Anordnung von großem Vorteil ist.

