Bedienungsanleitungbyhx_p_b-267.pdf
786.06 kB
Artikel in 8 Varianten erhältlich:
Login
Beschreibung
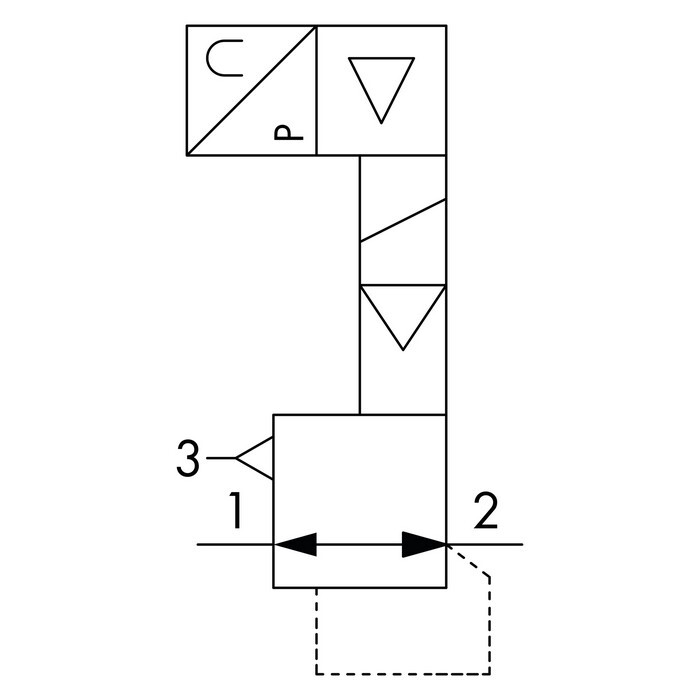
Präzisions-Proportionaldruckregler »SYNTRONIC«, BG1, o. Buchsen, ferngesteuert, 4…20 mA, p1= max. 11 bar, p2= 0,2…10 bar, T=0…50°C. Präzisions-Proportionaldruckregler der Baureihe »SYNTRONIC« dienen zur Regelung schwankender Drücke in Abhängigkeit von einem vorgegebenen Sollwert. Die Ansteuerung erfolgt über ein Kabel mit M12x1-Stecker als Spannungs- (Volt) oder Stromvorgabe (mA). Die Druckregelung wird von einem geschlossenen Regelkreis permanent überwacht und durch zwei Steuerventile im Oberteil proportional gesteuert. Vorteile: - Die Anschlussbuchsen können, wie aus der »SYNTESI« Serie bekannt, leicht getauscht werden. - Der Einsatz von Doppel-Rollmembranen im Regelteil ermöglichen eine vergleichsweise große Öffnung des Ventils, wodurch eine Verbesserung von Durchfluss und dynamischen Werten erreicht wird. - Das integrierte Rückschlagventil ermöglicht eine volle Entlüftung, wenn der Eingangsdruck auf null gesetzt wird. Somit ist die »SYNTRONIC« bestens für den Einsatz zwischen Zylinder und Ventil geeignet, da sich die Druckluft in beiden Richtungen durch das Gerät bewegen kann. - Die Version mit Display kann eine Vielzahl von Informationen und Diagnosedaten darstellen. Die Benutzerschnittstelle mit Display und LED-Anzeige sitzt einheitlich auf einer Seite des Geräts. ATEX-Ausführung auf Anfrage!
Spezifikationen
A
42,0 mm
A1
- mm
Anschluss Ausgang
ohne Buchse
Anschluss Eingang
ohne Buchse
Auflösung des analogen Ausgangs
< ±0,1 % (vom Endwert)
B
147,5 mm
BG
1
Betriebsspannung max.
31,2 V
Betriebsspannung min.
10,8 V
D
51,5 mm
Dichtmaterial
NBR
Display
ohne
Durchfluss 1
2200 Nl/min
Durchfluss 2
2800 Nl/min
Eingangsdruck max.
11 bar
Eingangsdruck min.
zu regelnder Druck +1 bar
Eingangssignal
4 - 20 mA
Gehäuse
Technopolymer
Gewinde auf Vorder- und Rückseite
G 1/8
Hysterese
< ±0,4 % (vom Endwert)
Medium
gefilterte, ungeölte Druckluft, max. Partikelgröße 10μm, frei von Kondensat
Membrane
NBR 60 Shore (Härte) mit Polyester Gewebeeinlage
Regelbereich max.
10 bar
Regelbereich min.
0,2 bar
Schutzart
IP 65
Temperaturbereich max.
50 °C
Temperaturbereich min.
0 °C
Wiederholgenauigkeit
< ±0,2 % (vom Endwert)













