Artikel in 20 Varianten erhältlich:
Login
Beschreibung
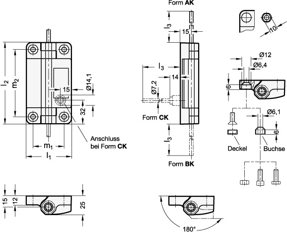
Scharniere GN 239.6 mit integrierten Sicherheitsschaltern dienen zur Überwachung von Türen und Abdeckungen an Maschinen und Anlagen. Beim Öffnen der Türen werden die Schaltkontakte betätigt, welche dann z. B. einen Schutzkreis mittels Öffnerkontakt (NC) unterbrechen und gleichzeitig das Öffnen der Tür durch Schließen eines Schließerkontakts (NO) signalisieren. Die Kontaktblöcke sind mit zwangsöffnenden Schleichkontakten ausgestattet, d. h. sie werden bei der Betätigung auf jeden Fall getrennt und haben dabei keine Hysterese. Der Winkel bei dem die Schaltpunkte erreicht werden ist justierbar (siehe Schaltwegdiagramm). Die Scharniere bilden mit den integrierten Kontaktblöcken eine kompakte, manipulationssichere und einfach zu montierende Einheit. Jedem Scharnier ist eine Betriebsanleitung beigefügt, die wichtige weiterführende technische Informationen enthält.
Spezifikationen
Breite l1
60
Form
AK - Anschlusskabel oben
Gewicht
0.360 kg
Kabellänge (in Meter) l3
2
Kennziffer
1 - Kontaktblock mit 2NC / 2NO
Länge l2
110
RoHS
Ja
Werkstoff
KT - Kunststoff
h1
25
h2
15
h3
12
m1
42
m2
91







