Artikel in 18 Varianten erhältlich:
Login
Beschreibung
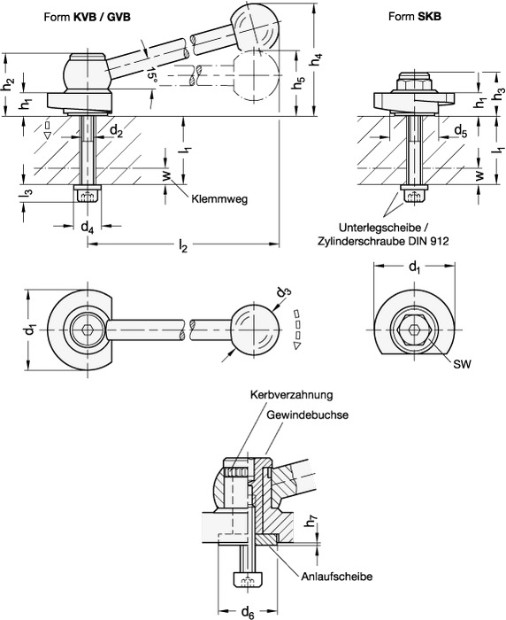
Spannriegel GN 918.7 haben eine rundlaufende Keilfläche. Sie ermöglichen bei verhältnismäßig großem Spannweg und hoher Spannkraft ein schnelles und sicheres Spannen und Lösen. Aufgrund des kleinen Steigungswinkel (Keilwinkel) ist der Spannriegel selbsthemmend. Die Befestigung per Buchse erlaubt den Einsatz wenn in der Umgebungskonstruktion kein Gewinde vorhanden ist. Die hochfeste Unterlegscheibe leitet entstehende Schraubenkräfte in diese ein. Die Kugelgriffe der Formen KVB / GVB sind über eine Kerbverzahnung mit dem Spiralexzenter formschlüssig verbunden. Bei der Montage kann die Lage des Hebels somit in einer zum Spannen günstigen Stellung befestigt werden bzw. so, dass dieser in entspannter Stellung aus dem Spannbereich gedreht werden kann.

