Artikel in 6 Varianten erhältlich:
Login
Beschreibung
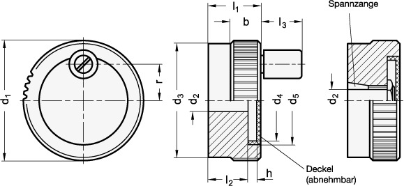
Zustellräder GN 736.1 werden für Verstellvorgänge mit geringem Drehmoment eingesetzt. Die Grobeinstellung kann über den drehbaren Zylinderknopf erfolgen (Fingerzufassung), die Feinzustellung am Rändelkranz. Die Spannzangen-Ausführung ermöglicht ein leichtes ,,Einstellen’’ von Zustellrädern mit Skala. Die Skala ist absolut abriebfest und gut lesbar, da durch das Gravieren die ,,alufarbenen’’ Ziffern und Zeichen einen Kontrast zur schwarzen Eloxaloberfläche bilden. Neben der Standard-Skala (Kennzeichen S) können diese Zustellräder mit jeder beliebigen Skalierung geliefert werden. Strichbild, Zahlenablauf, Zahlenstellung und Zahlenfolge einer Skalierung sind in einem übersichtliches Bestellschema dargestellt. Preise für andere Skalierungen auf Anfrage!

