Price and stock visible after login
Description
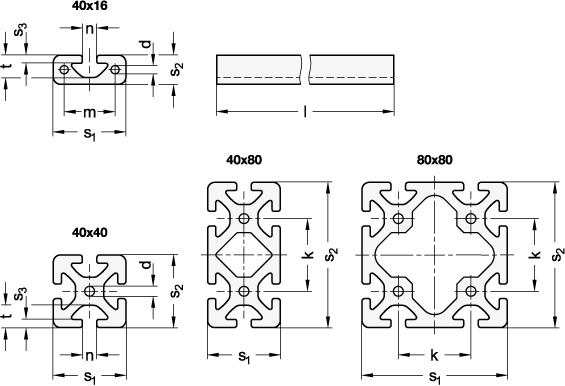
Aluminum profiles GN 10i are produced by extrusion molding. They can be used, for example, to easily construct protective enclosures, workplace equipment or jigs. Aluminum profiles in combination with the removable and reusable accessories form a flexible modular system. Attachments can be fastened to either the slots or the end faces via the holes. Aluminum profiles are supplied in bundles. The table shows the quantity included in each bundle.
Attributes
Gebinde (Stück)
4
Groove width n
8
Length l
2
Material
AL - Aluminium
Profilbreite s1
40
Profilgröße
I-40168S
Profilhöhe s2
16
Profiltyp
S - heavy
Rastermaß
40
RoHS
Ja
Surface
N - anodised, natural colour
Weight
8.960 kg
d
5
m
28
s3
4.5
t
12.25











