Item available in 551 variants:
Price and stock visible after login
Description
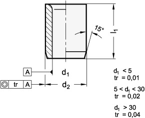
Guide bushings DIN 179 are characterized by the tight dimensional and positional tolerances in connection with the hardened and finely machined surface. As a result, they are suitable for extremely universal use in many applications. Holes with tolerance H7 are recommended for installing the bushings. In connection with the outer diameter of the bushing with a tolerance of n6, use of a transition adapter is recommended. For guide applications, combination with the guide pins GN 771.1 is recommended.
Attributes
... ,5
B 18,5
Diameter d
B 18,5
Form
A - Hole rounded on one side
L2
5
Length l1
45
Material
ST - Steel
RoHS
Ja
Weight
0.152 kg
d2
30
d3
34







