Item available in 10 variants:
Price and stock visible after login
Description
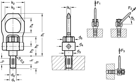
Threaded lifting pins GN 1135 are support elements designed for quick and easy use. Pressing the operating button unlocks the threaded segments, allowing the pin to be moved in or out of the mounting thread. This eliminates the time-consuming process of screwing in or out encountered with typical lifting gear, such as lifting eye bolts. Assuming sufficient material strength, only true-to-gauge threaded holes are required to make use of the threaded lifting pins. The shackle swivels by 180°, fully rotates around the pin and always aligns itself in the direction of load without causing the pin to turn. This prevents the threaded lifting pin from being screwed out of the thread and the workpiece can be lifted safely. A safety bar protects the button from unintentional operation. For further application guidelines, see the operating instructions enclosed with every threaded lifting pin (→ www.ganternorm.com/en/service).
Attributes
F2
0.9
F3
0.8
L2
17.8
Length l1
12
Material
NI - Stainless steel
Max. tightening torque in Nm
2
Max. tightening torque in Nm
2
Nenntragfähigkeit F1
2.1 kN
Rated load capacity in kN F1
2.1
RoHS
Ja
Screw thread d1
M 8
Weight
0.612 kg
d2
6.62
d3
20
d4
38
d5
33.5
h1
123.7
h2
54.9
h3
25.7
h4
42.5
k1
11
k2
68
k3
46
l3
8




