Item available in 10 variants:
Price and stock visible after login
Description
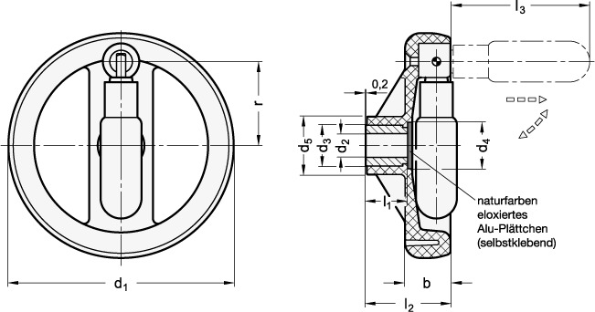
Elegant design taking account of ergonomic and hygienic requirements are the outstanding features of the handwheels with retractable handle GN 522.6. Owing to the materials used, they are especially suitable for use in corrosive atmospheres or in areas which must be wet cleaned. In particular, the FDA certified plastic materials allow the use in the food industry. The handle in these handwheels is locked in the bore. To tllt, first pull the handle out of the cone in axial direction. A pressure spring keeps the handle in both positions. When folding out, it will automatically engage again.
Attributes
Bore identification
K - with hub groove DIN 6885-1 P9
Bore labelling
K - with hub groove DIN 6885-1 P9
Diameter d2
8
Form
R - with swivelling reversible handle
L1
17
L2
35
Material
PP - plastic
Outer diameter d1
80
Outer diameter d1
80
R
29
RoHS
Ja
Weight
0.102 kg
b
18
d3
18
d4
20.5
d5
25
l3
45
Ø Reversing handle
15.5
Ø Umleggriff
15.5



