Item available in 3 variants:
Price and stock visible after login
Description
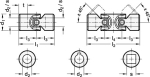
The permissible r.p.m. of universal joints with friction bearing DIN 808 is to a large extent dependent on the type of application such as load, duration, angular disposition as well as lubrication . For over 1000 r.p.m. universal joints with needle bearing should be used For continuous use ample lubrication is essential. This achieved by fitting the joint with a grease filled gaiter GN 808.1.
Attributes
Bore labelling
B - without hub groove
Borehole d2
6
Borehole filtercolumn
B 6
Form
DG - double, plain bearing
Length l2 ( Form DG)
56
Material
ST - Steel
Outer diameter d1
16
RoHS
Ja
Weight
0.060 kg
l3
17
l4
22
t max. Einbaulänge der Welle
8
t max. installation length of the shaft
8






