Item available in 3 variants:
Price and stock visible after login
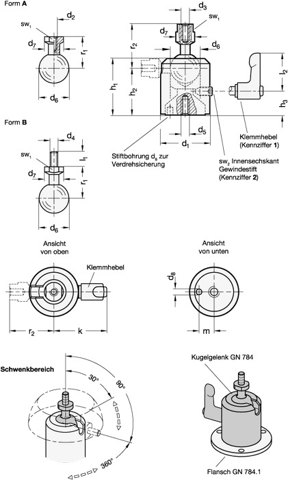
Description
Swivel ball joints GN 784 allow precise and stepless adjustment of the ball pivot within the swiveling range. This is a particular advantage when adjusting scanners, cameras, lighting, monitors, etc. Thanks to the efficient clamping mechanism, only small amounts of torque on the clamping screw result in comparatively strong clamping forces on the ball. This force is easily applied with the adjustable lever (Identification no.1). The ball joint can be mounted from below with the d5 internal thread or together with the GN 784.1 flange, available as an accessory, using three through-holes from above. For a permanent high stop torque, the contact surfaces of the balls must be kept free of grease. Exceeding the recommended tightening torques increases the stop torque, but may result in increased wear of the clamping mechanism.
Attributes
Code number
1 - Clamping with adjustable clamping lever
Form
B - Ball with external thread
L2
22
Material
AL - Aluminium
Recommended tightening torque of the clamp (code number) in Nm ≈
2,5
Result of the holding torque on the ball in Nm ≈
6,5
RoHS
Ja
Screw thread d4 (Form B)
M 6
Screw thread d42
1/4 (= 1/4-20)
Surface
ELS - anodised, black
Weight
0.083 kg
d1
31
d5
M 6
d6
18
d7
14
d8
3.5
empfohlenes Anzugsdrehmoment der Klemmung(Kennziffer)
2,5 Nm
h1
35.5
h2
29.6
h3
14.9
k
36
l1 Form B
10
m
9
r1 Form B
21.5
r1Form B
21.5
resultierendes Haltedrehmoment an der Kugel
6,5 Nm
sw1
12





