Zusatzinfo_PDFbmma_f_amf_spanneisen_all.pdf
227.55 kB
Price and stock visible after login
Description
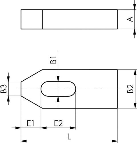
einfach · Vergütungsstahl · lackiert · Weitere technische Eigenschaften: · Breite: 40 mm · Länge: 100 mm · A: 20mm · B1: 14mm · B2: 40mm · E2: 40mm · E1: 21mm · Gewicht: 490g · L: 100mm · Stärke: 20 mm · Schlitzbreite: 14 mm · B3: 14mm
Attributes
Design
flat
For T-slot
12 + 14 + 16 mm
For clamping screw
M12, M14
Norm
DIN 6314
Slot length
40 mm





















