Item available in 132 variants:
Price and stock visible after login
Description
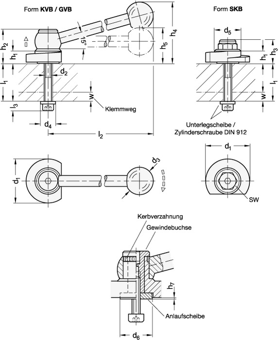
Clamping bolts GN 918.2 / GN 918.7 have a circumferential wedge surface. They allow for rapid and secure clamping and releasing with a relatively large clamping range and with high clamping force. Owing to the small pitch angle (wedge angle), the clamping bolt is self-locking. Fastening with a bushing allows use even if there is no thread in the surrounding structure. The heavy duty washer directs the resulting screw forces into the surrounding structure. The ball levers of types KVB / GVB form a positive connection with the eccentric cam by means of a serration. During assembly, the lever can thus be fixed in a position favorable for clamping or, in the relaxed position, rotated out of the clamping range.
Attributes
Clamping direction
R - by clockwise rotation (drawn version)
Diameter d
40
Form
KVB - with ball handle, angled (serration)
L2
100
Material
ST - Steel
RoHS
Ja
SW
15
Screw thread
M 6
Weight
0.235 kg
d3
25
d4
12
d5
24
d6
20
h1
10.3
h2
30.5
h3
21
h4
55
h4 ≈
55
h5
31
h7
0.2
h7 ≈
0.2
l1 max.
12
l2 ≈
100
w max.
5




