Item available in 21 variants:
Price and stock visible after login
Description
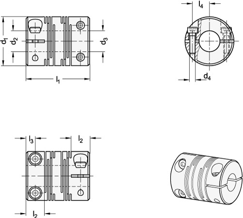
Beam couplings GN 2246 transmit angle positions and torques with extreme precision and no backlash. They are manufactured of a single piece and offer high torsional stiffness thanks to the alternating slits. The clamping hubs make beam couplings very easy

