Products
Ganter

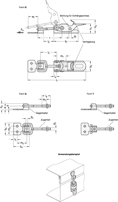
Tension with locking GN mechanism


Packable
Item available in 12 variants:

Description
Toggle latches GN 761.1 are especially suited for rapid closing and fastening of covers, container lids and boxes. When the lever is closed, the eccentric configuration of the rod shaft causes the latch bolt to move towards the catch. At the end of the le