Products
Ganter

Spiral eccentric GN


Packable
Item available in 18 variants:

Description
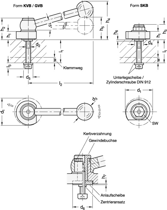
Eccentric cams GN 918 allow the rapid and secure clamping and releasing at a relatively large clamping range and with high clamping force. The cam offers the advantage that the clamping force remains constant in every angular position and is self-locking