Prijs en voorraad zichtbaar na login
Beschrijving
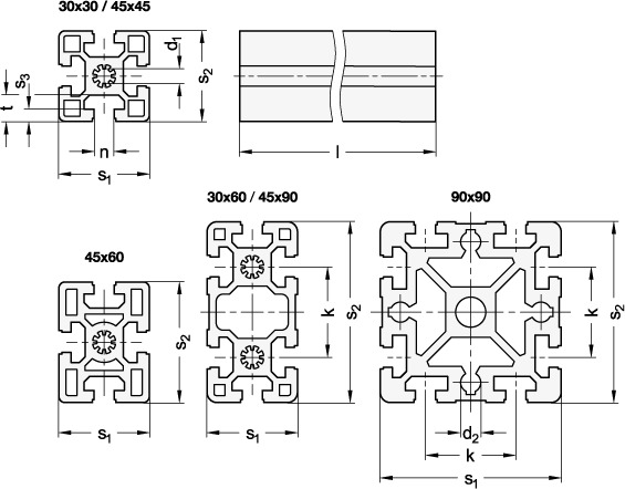
Aluminum profiles GN 10b are produced by extrusion molding. They can be used, for example, to easily construct protective enclosures, workplace equipment or jigs. Aluminum profiles in combination with the removable and reusable accessories form a flexible modular system. Attachments can be fastened to either the slots or the end faces via the holes. Aluminum profiles are supplied in bundles. The table shows the quantity included in each bundle.
Specificaties
Gebinde (Stück)
2
Gewicht
16.480 kg
Groefbreedte n
10
Lengte l
2
Materiaal
AL - Aluminium
Oppervlakte
N - geanodiseerd, natuurlijke kleur
Profilbreite s1
45
Profilgröße
B-459010S
Profilhöhe s2
90
Profiltyp
S - heavy
Rastermaß
45
RoHS
Ja
d1
10
k
45
s3
6
t
12.5

















