Artikel in 551 varianten beschikbaar:
Prijs en voorraad zichtbaar na login
Beschrijving
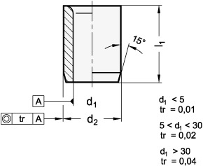
Guide bushings DIN 179 are characterized by the tight dimensional and positional tolerances in connection with the hardened and finely machined surface. As a result, they are suitable for extremely universal use in many applications. Holes with tolerance H7 are recommended for installing the bushings. In connection with the outer diameter of the bushing with a tolerance of n6, use of a transition adapter is recommended. For guide applications, combination with the guide pins GN 771.1 is recommended.
Specificaties
... ,9
B 0,9
Diameter d
B 0,9
Gewicht
0.001 kg
L2
2
Lengte l1
9
Materiaal
ST - Staal
RoHS
Ja
Vorm
A - Gat aan één kant afgerond
d2
3
d3
6







