Artikel in 551 varianten beschikbaar:
Prijs en voorraad zichtbaar na login
Beschrijving
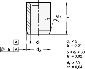
Guide bushings DIN 179 are characterized by the tight dimensional and positional tolerances in connection with the hardened and finely machined surface. As a result, they are suitable for extremely universal use in many applications. Holes with tolerance H7 are recommended for installing the bushings. In connection with the outer diameter of the bushing with a tolerance of n6, use of a transition adapter is recommended. For guide applications, combination with the guide pins GN 771.1 is recommended.
Specificaties
... ,1
B 11,1
... ,2
B 11,2
... ,3
B 11,3
... ,4
B 11,4
... ,5
B 11,5
... ,6
B 11,6
... ,7
B 11,7
... ,8
B 11,8
... ,9
B 11,9
Diameter d
B 11,6
Gewicht
0.013 kg
L2
4
Lengte l1
12
Materiaal
ST - Staal
RoHS
Ja
Vorm
A - Gat aan één kant afgerond
d11 ... ,0
B 11
d2
18
d3
22







