Producten
Ganter

Boorbus DIN 179 A

13,8x22x16 mm kort, 1.0718 gecarbonitreerd, HRC 62±2 
ST - Staal
Art.-Nr.: 1402476douanetariefnummer: 73182900EAN: 4045525505650

VPE (Verpakking): 10 stukAantal: ​​ 1 stukPakketgeschikt
Artikel in 551 varianten beschikbaar:
Op korte termijn verkrijgbaar

Beschrijving
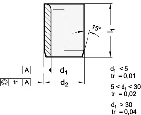
Guide bushings DIN 179 are characterized by the tight dimensional and positional tolerances in connection with the hardened and finely machined surface. As a result, they are suitable for extremely universal use in many applications. Holes with tolerance H7 are recommended for installing the bushings. In connection with the outer diameter of the bushing with a tolerance of n6, use of a transition adapter is recommended. For guide applications, combination with the guide pins GN 771.1 is recommended.
Specificaties
... ,1
B 13,1
... ,2
B 13,2
... ,3
B 13,3
... ,4
B 13,4
... ,5
B 13,5
... ,6
B 13,6
... ,7
B 13,7
... ,8
B 13,8
... ,9
B 13,9
Diameter d
B 13,8
Gewicht
0.028 kg
L2
4
Lengte l1
16
Materiaal
ST - Staal
RoHS
Ja
Vorm
A - Gat aan één kant afgerond
d11 ... ,0
B 13
d2
22
d3
26
Vergelijkbare artikelen