Producten
05:30:27
Besteltijd voor pakketverzending vandaag
Ganter

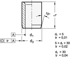
Boorbus DIN 179 A

16,5x26x36 mm lang, 1.0718 gecarbonitreerd, HRC 62±2 
ST - Staal
Art.-Nr.: 1402521douanetariefnummer: 73182900EAN: 4045525003293

VPE (Verpakking): 10 stukAantal: ​​ 1 stukPakketgeschikt
Artikel in 551 varianten beschikbaar:
Op korte termijn verkrijgbaar

Beschrijving
Guide bushings DIN 179 are characterized by the tight dimensional and positional tolerances in connection with the hardened and finely machined surface. As a result, they are suitable for extremely universal use in many applications. Holes with tolerance H7 are recommended for installing the bushings. In connection with the outer diameter of the bushing with a tolerance of n6, use of a transition adapter is recommended. For guide applications, combination with the guide pins GN 771.1 is recommended.
Specificaties
... ,1
B 16,1
... ,5
B 16,5
Diameter d
B 16,5
Gewicht
0.089 kg
L2
4
Lengte l1
36
Materiaal
ST - Staal
RoHS
Ja
Vorm
A - Gat aan één kant afgerond
d11 ... ,0
B 16
d2
26
d3
30
Vergelijkbare artikelen