Artikel in 32 varianten beschikbaar:
Prijs en voorraad zichtbaar na login
Beschrijving
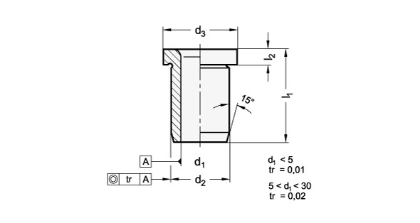
Positionierbuchsen DIN 172 zeichnen sich durch die engen Form- und Lagetoleranzen in Verbindung mit der gehärteten und fein bearbeiteten Oberfläche aus. Dadurch können diese in vielen Anwendungen äußerst universell eingesetzt werden. Zur Aufnahme der Buchsen werden Bohrungen mit einer Toleranz H7 empfohlen. In Verbindung mit dem auf n6 tolerierten Außendurchmesser der Buchse ergibt sich eine bevorzugt verwendete Übergangspassung.
Specificaties
Diameter d
B 4
Gewicht
0.002 kg
L2
2.5
Length l1
8
Material
NI - Stainless steel
RoHS
Ja
Vorm
A - Hole rounded on one side
d11 ... ,0
B 4
d2
7
d3
10





