Artikel in 4 varianten beschikbaar:
Prijs en voorraad zichtbaar na login
Beschrijving
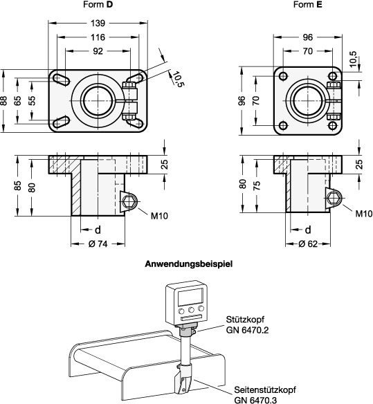
Base Plate Connector Clamps, Plastic
Specificaties
Bohrung d (Form E)
B 48,3
Gewicht
0.271 kg
Materiaal
PA - kunststof, polyamide
Nenngröße RohrDIN EN 10220 / EN 10255
1 1/2"
RoHS
Ja
Vorm
E - met gaten




