Artikel in 10 varianten beschikbaar:
Prijs en voorraad zichtbaar na login
Beschrijving
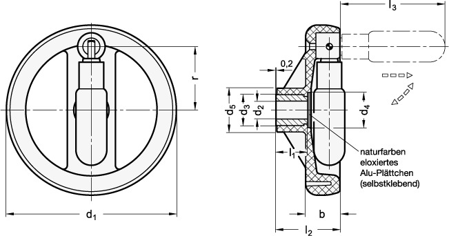
Elegant design taking account of ergonomic and hygienic requirements are the outstanding features of the handwheels with retractable handle GN 522.6. Owing to the materials used, they are especially suitable for use in corrosive atmospheres or in areas which must be wet cleaned. In particular, the FDA certified plastic materials allow the use in the food industry. The handle in these handwheels is locked in the bore. To tllt, first pull the handle out of the cone in axial direction. A pressure spring keeps the handle in both positions. When folding out, it will automatically engage again.
Specificaties
Boormarkering
K - met naafgroef DIN 6885-1 P9
Bore identification
K - with hub groove DIN 6885-1 P9
Buitendiameter d1
160
Diameter d2
14
Gewicht
0.388 kg
L1
27
L2
51
Materiaal
PP - kunststof
Outer diameter d1
160
R
65
RoHS
Ja
Vorm
R - met draaibare omkeerbare handgreep
b
25
d3
26
d4
31
d5
40
l3
73
Ø Reversing handle
23
Ø Umleggriff
23



