Artikel in 3 varianten beschikbaar:
Prijs en voorraad zichtbaar na login
Beschrijving
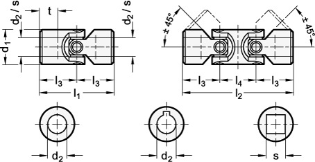
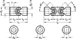
The permissible r.p.m. of universal joints with friction bearing DIN 808 is to a large extent dependent on the type of application such as load, duration, angular disposition as well as lubrication . For over 1000 r.p.m. universal joints with needle bearing should be used For continuous use ample lubrication is essential. This achieved by fitting the joint with a grease filled gaiter GN 808.1.
Specificaties
Boormarkering
K - met naafgroef DIN 6885-1 P9
Borehole filtercolumn
B 30
Boring d2
30
Buitendiameter d1
50
Gewicht
1.300 kg
Lengte l1 (Vorm EG)
132
Materiaal
ST - Staal
RoHS
Ja
Vorm
EG - enkelvoudig, glijlager
l3
66
t max. Einbaulänge der Welle
38
t max. installation length of the shaft
38






