Artikel in 3 varianten beschikbaar:
Prijs en voorraad zichtbaar na login
Beschrijving
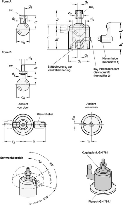
Swivel ball joints GN 784 allow precise and stepless adjustment of the ball pivot within the swiveling range. This is a particular advantage when adjusting scanners, cameras, lighting, monitors, etc. Thanks to the efficient clamping mechanism, only small amounts of torque on the clamping screw result in comparatively strong clamping forces on the ball. This force is easily applied with the adjustable lever (Identification no.1). The ball joint can be mounted from below with the d5 internal thread or together with the GN 784.1 flange, available as an accessory, using three through-holes from above. For a permanent high stop torque, the contact surfaces of the balls must be kept free of grease. Exceeding the recommended tightening torques increases the stop torque, but may result in increased wear of the clamping mechanism.
Specificaties
Codenummer
1 - Spannen met verstelbare spanhendel
Gewicht
0.161 kg
L2
30
Materiaal
AL - Aluminium
Oppervlakte
ELS - geanodiseerd, zwart
Recommended tightening torque of the clamp (code number) in Nm ≈
4
Result of the holding torque on the ball in Nm ≈
16
RoHS
Ja
Schroefdraad d3 (Vorm A)
3/8
Schroefdraad d32
3/8 (= 3/8-16)
Vorm
A - Kogel met binnendraad
d1
39
d5
M 8
d6
24
d7
15
d8
4.5
empfohlenes Anzugsdrehmoment der Klemmung(Kennziffer)
4 Nm
h1
45
h2
37.2
h3
18.9
k
44
m
12
r2Vorm A
40.5
resultierendes Haltedrehmoment an der Kugel
16 Nm
sw1
13





