Prijs en voorraad zichtbaar na login
Beschrijving
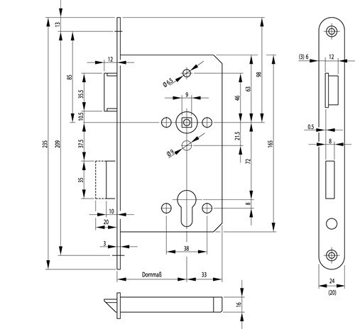
Panik-Wechselfunktion E · für einflügelige Holz- oder Stahltüren · in Kombination mit geprüften Beschlägen nach EN 179 (Notausgänge) und nach EN 1125 (Paniktüren) zugelassen · zweitourig · 1-teilige Nuss · vorgerichtet für Profilzylinder · Falle und Riegel aus Stahl · Entfernung 72 mm · Vierkant 9 mm · Stulplänge 235 mm · abgerundet · allseitig geschlossener Schlosskasten · Weitere technische Eigenschaften: · Riegel: Stahl · Norm: DIN 18250 · Schlosskasten: allseitig geschlossen · Riegelausschluss: 20mm · Falle: Stahl



Specificaties
Aanslagrichting
DIN rechts
Afstand
72 mm
Doornmaat
65 mm
Geschikt voor
1-vleugelige houten/ stalen deuren
Manchet
Roestvrij staal
Manchetbreedte
20 mm
Manchetlengte
235 mm
Manchetuitvoering
afgerond
Paniek functie
E
Perforatie
PZW
Slotbout
2-tour
Trekkermoer
Standaard
Vierkant
9 mm









