Prijs en voorraad zichtbaar na login
Beschrijving
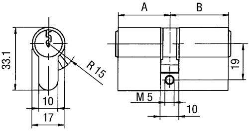
Not- und Gefahrenfunktion einseitig (Länge A ohne Gefahrenfunktion) · Massiv Messing vernickelt · einreihige Stiftanordnung mit 5 geteilten Stiftzuhaltungen · zertifiziert nach DIN 18252 Klasse P 2 · DIN EN 1303 Klasse 4 · Angriffswiderstand 0 (Standard) · verschiedenschließend · incl. 3 Schlüsseln und Profilzylinder-Befestigungs-Schraube M 5 x 80 mm · einzeln Karton verpackt · Weitere technische Eigenschaften: · Material: Messing · Norm: DIN 18252 · Modell: einseitig ( Länge A ohne ) · Klasse: 4
Specificaties
Aantal penvaststellingen
5
Aantal sleutel
3
Lengte A
27 mm
Lengte B
40 mm
Nood- en gevaarfunctie
eenzijdig
Oppervlakte
vernikkeld
Sleutelontwerp
Standaard
Versie
Anders gesleuteld

