Prijs en voorraad zichtbaar na login
Beschrijving
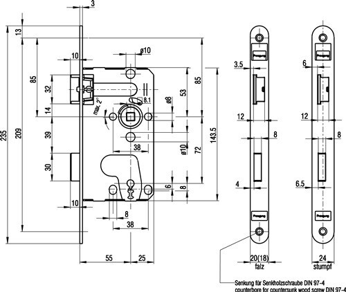
BB Ausführung · nach DIN 18251-1 Klasse 1 · allseitig geschlossener Schlosskasten · 1-tourig · Stulp alufinish silber · Stulplänge 235 mm · Dornmaß 55 mm · Entfernung 72 mm · Vierkant 8 mm · ohne Schließblech · Weitere technische Eigenschaften: · Schlosskasten: allseitig geschlossen · passend für: Zimmertüren


Specificaties
Aanslagrichting
DIN rechts
Afstand
72 mm
Dagschoot
Kunststof
Dagschoot eigenschap
Standaard val
Dagschoot en grendel
Kunststof
Doornmaat
55 mm
Grendel
Kunststof
Grendeluitsluiting
10 mm
Klasse
1
Manchet
zilver
Manchetbreedte
20 mm
Manchetlengte
235 mm
Manchetuitvoering
afgerond
Model
0215
Norm
DIN 18251
Perforatie
BB
Slotbout
1-tour
Trekkermoer
PA
Vierkant
8 mm
Wisselspanning
zonder verandering


