Prijs en voorraad zichtbaar na login
Beschrijving
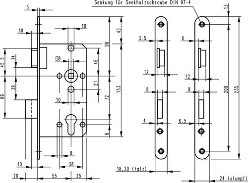
PZW Ausführung · nach DIN 18251-1 Klasse 2 · allseitig geschlossener Schlosskasten · 2-tourig · mit Wechsel · Stulplänge 235 mm · Entfernung 72 mm · Vierkant 8 mm · Falle und Riegel aus Zinkdruckguss · ohne Schließblech · Weitere technische Eigenschaften: · Schlosskasten: allseitig geschlossen · passend für: Zimmertüren

Specificaties
Aanslagrichting
DIN rechts
Afstand
72 mm
Dagschoot
Zink spuitgieten
Dagschoot eigenschap
Standaard val
Dagschoot en grendel
Zink spuitgieten
Doornmaat
55 mm
Grendel
Zink spuitgieten
Grendeluitsluiting
20 mm
Klasse
2
Manchet
zilver
Manchetbreedte
18 mm
Manchetlengte
235 mm
Manchetuitvoering
afgerond
Model
0415
Norm
DIN 18251
Perforatie
PZW
Slotbout
2-tour
Trekkermoer
PA
Vierkant
8 mm
Wisselspanning
met verandering


