Artikel in 24 Varianten erhältlich:
Login
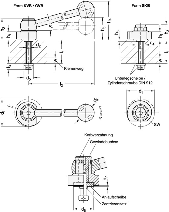
Beschreibung
Spiralexzenter GN 918 ermöglichen bei verhältnismäßig großem Spannweg und hoher Spannkraft ein schnelles und sicheres Spannen und Lösen. Dabei bietet die Spirale den Vorteil, dass die Spannwirkung in jeder Winkelstellung gleich groß und zugleich selbsthemmend ist. Die Befestigung per Schraube von der Rückseite erlaubt den Einsatz, wenn in der Umgebungskonstruktion kein Gewinde vorhanden ist. Die hochfeste Unterlegscheibe nimmt entstehende Schraubenkräfte auf und leitet sie in diese ein. Der Zentrieransatz der Anlaufscheibe schützt vor unzulässigen Querkräften auf die Zylinderschraube. Die Kugelgriffe der Formen KVB und GVB sind über eine Kerbverzahnung mit dem Spiralexzenter formschlüssig verbunden. Bei der Montage kann die Lage des Hebels somit in einer zum Spannen günstigen Stellung befestigt werden.
Spezifikationen
Durchmesser d1
40
Form
KVB - mit Kugelgriff, schräg (Kerbverzahnung)
Gewicht
0.180 kg
Gewinde
M 6
RoHS
Ja
Spannrichtung
R - durch Rechtsdrehung (gezeichnete Ausführung)
Werkstoff
ST - Stahl
d3
25
d4
9
d5
12
d6
20
h1
10.3
h2
30.5
h3
21
h4
55
h4 ≈
55
h5
31
h6
2.5
h7
0.2
h7 ≈
0.2
l1 max.
12
l2
100
l2 ≈
100
l3
8.5
l3 ≈
8.5
sw
15
w max.
5




