Item available in 47 variants:
Price and stock visible after login
Description
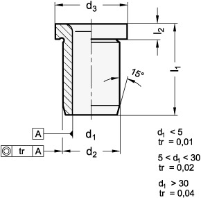
Guide bushings DIN 172 are characterized by the tight dimensional and positional tolerances in connection with the hardened and finely machined surface. As a result, they are suitable for extremely universal use in many applications. Holes with tolerance H7 are recommended for installing the bushings. In connection with the outer diameter of the bushing with a tolerance of n6, use of a transition adapter is recommended. For guide applications, combination with the guide pins GN 771.1 is recommended.
Attributes
... ,1
B 2,1
... ,2
B 2,2
... ,3
B 2,3
... ,4
B 2,4
... ,5
B 2,5
... ,6
B 2,6
Diameter d
B 2,5
Form
A - Hole rounded on one side
L2
2
Length l1
9
Material
ST - Steel
RoHS
Ja
Weight
0.001 kg
d11 ... ,0
B 2
d2
5
d3
8












